
Size:DN 100~DN 2600
Pressure:PN10/PN16
Standard:
Face to face:EN558-1 Series 13/14
Flange connection:EN1092 10/16,ANSI B16.1
Top flange:ISO 5211
Characteristic:
1. Eccentric action reduces torque and seat contact during operation extending valve life
2. Suitable for on/off and modulating service.
3. Subject to size and damage, the seat can be repaired in the field and in certain cases, repaired from outside the valve without disassembly from the main line
4. All iron parts are fusion bonded expoxy coated for corrosion resistance and long life.
Description:
DC Series flanged eccentric butterfly valve incorporates a positive retained resilient disc seal and either an integral body seat. The valve has three unique attributes: less weight, more strength and lower torque.
Typical application:
1. Water works and water resource project
2. Enviroment Protection
3. Public Facilities
4. Power and Public Utilities
5. Building industry
6. Petroleum/ Chemical
7. Steel. Metallurgy
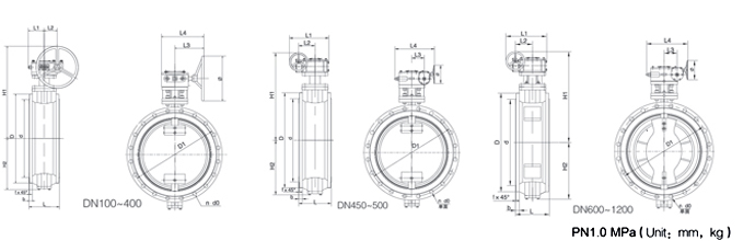
| DN | Gear Operator | L | D | D1 | d | n | d0 | b | f | H1 | H2 | L1 | L2 | L3 | L4 | Φ | Weight |
| 100 | XJ24 | 127 | 220 | 180 | 156 | 8 | 19 | 19 | 3 | 310 | 109 | 52 | 45 | 158 | 210 | 150 | 19 |
| 150 | XJ24 | 140 | 285 | 240 | 211 | 8 | 23 | 19 | 3 | 440 | 143 | 52 | 45 | 158 | 210 | 150 | 37 |
| 200 | XJ30 | 152 | 340 | 295 | 266 | 8 | 23 | 20 | 3 | 510 | 182 | 77 | 63 | 238 | 315 | 300 | 51 |
| 250 | XJ30 | 165 | 395 | 350 | 319 | 12 | 23 | 22 | 3 | 565 | 219 | 77 | 63 | 238 | 315 | 300 | 68 |
| 300 | 4022 | 178 | 445 | 400 | 370 | 12 | 23 | 24.5 | 4 | 630 | 244 | 95 | 72 | 167 | 242 | 300 | 93 |
| 350 | 4023 | 190 | 505 | 460 | 429 | 16 | 23 | 24.5 | 4 | 715 | 283 | 110 | 91 | 188 | 275 | 400 | 122 |
| 400 | 4023 | 216 | 565 | 515 | 480 | 16 | 28 | 24.5 | 4 | 750 | 312 | 110 | 91 | 188 | 275 | 400 | 152 |
| 450 | 4024 | 222 | 615 | 565 | 530 | 20 | 28 | 25.5 | 4 | 820 | 344 | 473 | 147 | 109 | 420 | 400 | 182 |
| 500 | 4024 | 229 | 670 | 620 | 582 | 20 | 28 | 26.5 | 4 | 845 | 381 | 473 | 147 | 109 | 420 | 400 | 230 |
| 600 | 4025 | 267 | 780 | 725 | 682 | 20 | 31 | 30 | 5 | 950 | 451 | 533 | 179 | 138 | 476 | 400 | 388 |
| 700 | 4025 | 292 | 895 | 840 | 794 | 24 | 31 | 32.5 | 5 | 1010 | 526 | 533 | 179 | 138 | 476 | 400 | 480 |
| 800 | 4026 | 318 | 1015 | 950 | 901 | 24 | 34 | 35 | 5 | 1140 | 581 | 655 | 217 | 170 | 577 | 500 | 661 |
| 900 | 4026 | 330 | 1115 | 1050 | 1001 | 28 | 34 | 37.5 | 5 | 1197 | 643 | 655 | 217 | 170 | 577 | 500 | 813 |
| 1000 | 4026 | 410 | 1230 | 1160 | 1112 | 28 | 37 | 40 | 5 | 1277 | 722 | 655 | 217 | 170 | 577 | 500 | 1018 |
| 1200 | 4027 | 470 | 1455 | 1380 | 1328 | 32 | 40 | 45 | 5 | 1511 | 840 | 748 | 262 | 202 | 664 | 500 | 1501 |