
Size:DN 32~DN 600
Pressure:PN10/PN16/150 psi/200 psi
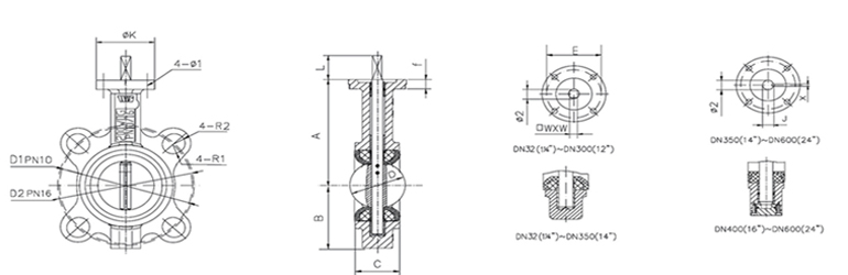
Standard:
Face to face :EN558-1 Series 20,API609
Flange connection :EN1092 PN6/10/16,ANSI B16.1,JIS 10K
Top flange:ISO 5211
Characteristic:
1. Small in size&light in weight and easy maintenance. It can be mounted wherever needed.
2. Simple, compact structure, quick 90 degree on-off operation
3. Disc has two-way bearing, perfect seal, without leakage under the pressure test.
4. Flow curve tending to straight-line. Excellent regulation performance.
5. Various kinds of materials, applicable to different media.
6. Strong wash and brush resistance, and can fit to bad working condition.
7. Center plate structure, small torque of open and close.
8. Long service life. Standing the test of ten thousands opening and closing opration.
9. Can be used in cutting off and regulating media.
Description:
YD Series Wafer butterfly valve 's flange connection is universal standard,and the material of handle is aluminium;
It can be used as a device to cut-off or regulate the flow in various medium pipes. Through selecting different materials of disc and seal seat, as well as the pinless connection between disc and stem,the valve can be applied to worse conditions, such as desulphurization vacuum, sea water desalinization.
Typical application:
1. Water works and water resource project
2. Enviroment Protection
3. Public Facilities
4. Power and Public Utilities
5. Building industry
6. Petroleum/ Chemical
7. Steel. Metallurgy
8. Paper make industry
9. Food/Beverage etc